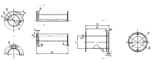
Test the main design dimensions as shown: XR-100
|
Icon code |
Design size |
Tolerance |
|
A |
28.00 | Minimum value |
| B | 49.50 | The maximum value |
| C | 9.30 | Minimum value |
| E | 30.40 | ± |
| F | 1.20 |
±0.10 |
| G | 68.30 | The maximum value |
| H | 60.10 |
±0.30 |
| I | 1.90 |
±0.10 |
| J | 2.40 |
±0.10 |
| R | 0.30 | Reference |
| W | 2.00 | Reference |
| Z | 0.70 | Reference |
● Detection tool:digital caliper or micrometer.
● Indicate the code for inspection.
● The number of outlet slots is 5×2.
● hole A is not roundness≤0.40mm,both sides of the hobbing plane of the parallelism≤0.40mm,no significant warping.
● hole hole anastomosis is not allowed to have a step,feel smooth and unimpeded.
● no residual shape or damage,color is no different normal
● finish up to▽7 or more,but allow for harmless scars and miniatures.
● Metal-free impurities or other debris,containing metal,debris products,must be waste separation.
● no melting marks,no internal pores bright spot.There are stomatal highlights(excluding melting marks)products for foreign goods.
● no flash,burr and excess material.Key parts of the burr≤0.05 mm.
● anti-pressure≥25 kg/square centimeter,no damage.
● feel a strong elasticity,and not brittle.
● hardness,wear resistance are suitable for high-speed heavy-duty rotation.
● Selection of raw materials must meet the requirements of the EU ROHS directive,and has UL yellow card certification and fixed-point supply.
● heat distortion temperature≥120 degrees Celsius,insulation resistance must be≥1000M ohm,flame retardant UL94Vo level/0.8-3.2mm.
● other structures should meet the transformer manufacturing process as the standard.

